Zum Hauptinhalt springen Zur Suche springen Zur Hauptnavigation springen

Rohrverbinder T-Stück / T-Verbinder lang, verstellbar 0°-11° - Typ 4S

Rohrverbinder T-Stück lang verstellbar 0°-11° – Typ 4S | Verzinkt

Kombinieren Sie Präzision mit maximaler Flexibilität: Das Rohrverbinder T-Stück lang verstellbar (Typ 4S) ist die ideale Lösung für lange Rohrstrecken, bei denen leichte Winkelanpassungen notwendig sind.

Variable Einstellung für präzise Ergebnisse

Nichts ist im Bauwesen immer zu 100% gerade. Der Typ 4S bietet hier den entscheidenden Vorteil gegenüber starren T-Stücken: Der Winkel des Abgangs lässt sich von 0° bis 11° variieren. Dies eignet sich hervorragend für:

  • Ausgleich von Unebenheiten: Perfekt, wenn der Boden nicht ganz eben ist.
  • Leichte Gefälle: Ideal für Rampen oder Wasserabläufe.
  • Spannungsfreie Montage: Gleicht Toleranzen aus, sodass die Konstruktion nicht unter Zwang steht.

Doppelfunktion: Verbinden & Abzweigen

Im Gegensatz zum kurzen T-Stück verfügt die "lange" Hülse des Typ 4S über zwei Madenschrauben im durchgehenden Teil.
Das bedeutet für Ihre Planung:

  • Sie können diesen Verbinder nutzen, um zwei horizontale Rohre miteinander zu verbinden (Kupplungsfunktion).
  • Gleichzeitig schaffen Sie einen vertikalen Abgang (z.B. für einen Pfosten).
  • Dies macht ihn unverzichtbar für den Bau von langen Geländern und Barrieren, bei denen Rohre an einem Pfosten gestoßen werden müssen.

Material & Qualität

Der Verbinder besteht aus widerstandsfähigem Temperguss und ist feuerverzinkt. Er bietet hohen Korrosionsschutz und ist für dauerhafte Konstruktionen im Innen- und Außenbereich ausgelegt.

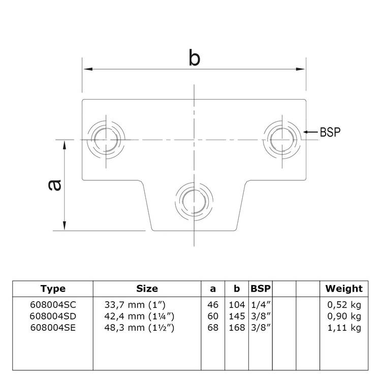
Verfügbare Größen

Wir bieten das variable T-Stück lang für folgende Rohrdurchmesser an:

  • Ø 33,7 mm (1 Zoll)
  • Ø 42,4 mm (1 ¼ Zoll)
  • Ø 48,3 mm (1 ½ Zoll)

Ihre Vorteile auf einen Blick

  • Flexibel: Winkel von 0° - 11° einstellbar für Passgenauigkeit.
  • Funktional: Verbindet zwei Rohrenden im Durchgang (Lang-Version).
  • Stabil: Sichere Fixierung durch mehrere Stellschrauben.
  • Wetterfest: Langlebig durch Feuerverzinkung.
Herstellerinformationen:

Gaßmann GmbH (Schellen-Shop)
Robert-Bosch-Str. 4
D-37308 Heilbad Heiligenstadt
Tel.: +49 3606/551018
info@schellen-shop.de
Technische Daten
Rohrverbinder T-Stück / T-Verbinder lang, verstellbar 0°-11° - Typ 4S
Material: Gusseisen verzinkt
Angaben gemäß Hersteller. Irrtum und Änderung vorbehalten.
Weitere technische Details auf Anfrage!

0 von 0 Bewertungen

Durchschnittliche Bewertung von 0 von 5 Sternen

Bewerten Sie dieses Produkt!

Teilen Sie Ihre Erfahrungen mit anderen Kunden.


testDas könnte auch passen
Kontakt
Nehmen Sie Kontakt mit uns auf

E-Mail: info@schellen-shop.de
Zum Kontaktformular
Rückruf