Zum Hauptinhalt springen Zur Suche springen Zur Hauptnavigation springen

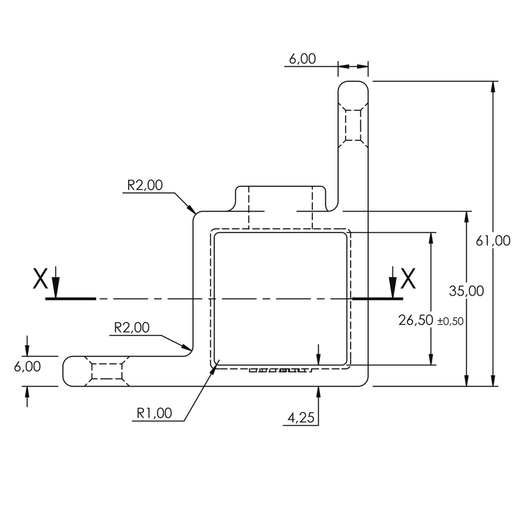
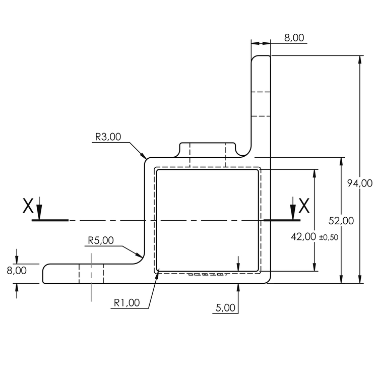
Rohrverbinder Ösenteil 90° mit Doppellasche, quadratisch | 25x25 oder 40x40 - Typ 57S

Rohrverbinder Ösenteil 90° mit Doppellasche für Quadratrohr - Typ 57S

Dieser Rohrverbinder ist ähnlich dem Typ 56. Plattenbefestigungs-Rohrverbinder mit zwei Ösen; wird auch für die Arretierung von Gattern verwendet. Der Rohrverbinder wird außen über die Rohre geschoben und sorgt somit für eine äußere Rohrverbindung. Zur Auswahl stehen Ihnen der T-Stück-Rohrverbinder für die Durchmesser 25x25 mm und 40x40 mm. Das Material des Rohrverbinders Typ 57S ist verzinktes Gusseisen.

Vorteile auf einen Blick:

  • Edelstahlschraube
  • Garantie bis 1500 N/m Belastung
  • kein Schweißen, somit keine Feuererlaubnis erforderlich
  • Keine Gewinde, keine Verschraubung
  • Mit einfachem Sechskantschlüssel montierbar
  • Vielseitiges System, vor Ort veränderbar
  • Lackierbar

Anwendungen:

  • Handläufe
  • Sicherheitsgeländer/Schutzbarrieren
  • Fallschutz
  • Sonstige Anwendungen für sicheres Arbeiten
  • Feste Geländer
  • Maschinenschutzvorrichtungen
  • Spielplätze
Herstellerinformationen:

Gaßmann GmbH (Schellen-Shop)
Robert-Bosch-Str. 4
D-37308 Heilbad Heiligenstadt
Tel.: +49 3606/551018
info@schellen-shop.de

0 von 0 Bewertungen

Durchschnittliche Bewertung von 0 von 5 Sternen

Bewerten Sie dieses Produkt!

Teilen Sie Ihre Erfahrungen mit anderen Kunden.


testDas könnte auch passen
Kontakt
Nehmen Sie Kontakt mit uns auf

E-Mail: info@schellen-shop.de
Zum Kontaktformular
Rückruf