5,66 €
Sofort lieferbar.
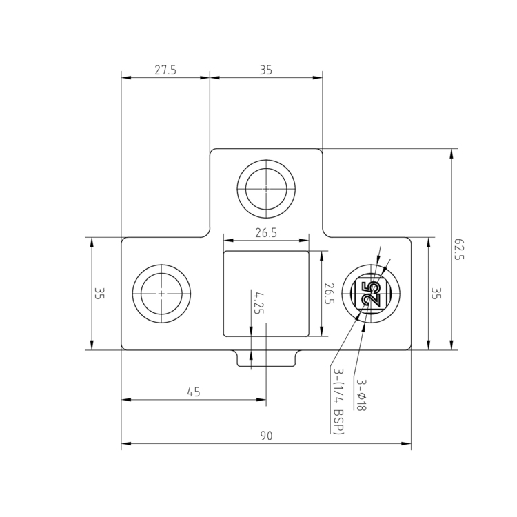
Vierkantrohr-Verbinder Kreuzstück / Kreuzverbinder für Stützrohr - Typ 24S
Der durchgehende Kreuzverbinder Typ 24S dient als Rohrverbindung für Geländer zwischen Mittelteil und senkrechter Stütze, inkl. Stützrohr. An den seitlichen Abgängen werden die Rohre nur eingeschoben. Die Verbindungsstellen rechts und links werden oft für Zwischenstreben innerhalb einer Ebene verwendet. Der Rohrverbinder wird außen über die Rohre geschoben und sorgt somit für eine äußere Rohrverbindung. Zur Auswahl stehen Ihnen der T-Stück-Rohrverbinder für die Durchmesser 25x25 mm und 40x40 mm. Das Material des Rohrverbinders Typ 24S ist verzinktes Gusseisen.
- Edelstahlschraube
- Garantie bis 1500 N/m Belastung
- kein Schweißen, somit keine Feuererlaubnis erforderlich
- Keine Gewinde, keine Verschraubung
- Mit einfachem Sechskantschlüssel montierbar
- Vielseitiges System, vor Ort veränderbar
- Lackierbar
Anwendungen:
- Handläufe
- Sicherheitsgeländer/Schutzbarrieren
- Fallschutz
- Sonstige Anwendungen für sicheres Arbeiten
- Feste Geländer
- Maschinenschutzvorrichtungen
- Spielplätze
Robert-Bosch-Str. 4
D-37308 Heilbad Heiligenstadt
Tel.: +49 3606/551018
info@schellen-shop.de
Rohrverbinder Kreuzstück für Stützrohr / Kreuzverbinder, quadratisch - Typ 24S (176F)
| Durchmesser (mm)*: | 25, 25x25, 40, 40x40 |
|---|---|
| Material: | Gusseisen verzinkt |
0 von 0 Bewertungen
Durchschnittliche Bewertung von 0 von 5 Sternen
Anmelden
-
testDas könnte auch passen
- Das könnte auch passen
Das könnte auch passen
Rohrverbinder Ösenteil 90° mit Doppellasche für Quadratrohr - Typ 57S Dieser Rohrverbinder ist ähnlich dem Typ 56. Plattenbefestigungs-Rohrverbinder mit zwei Ösen; wird auch für die Arretierung von Gattern verwendet. Der Rohrverbinder wird außen über die Rohre geschoben und sorgt somit für eine äußere Rohrverbindung. Zur Auswahl stehen Ihnen der T-Stück-Rohrverbinder für die Durchmesser 25x25 mm und 40x40 mm. Das Material des Rohrverbinders Typ 57S ist verzinktes Gusseisen. Vorteile auf einen Blick: Edelstahlschraube Garantie bis 1500 N/m Belastung kein Schweißen, somit keine Feuererlaubnis erforderlich Keine Gewinde, keine Verschraubung Mit einfachem Sechskantschlüssel montierbar Vielseitiges System, vor Ort veränderbar Lackierbar Anwendungen: Handläufe Sicherheitsgeländer/Schutzbarrieren Fallschutz Sonstige Anwendungen für sicheres Arbeiten Feste Geländer Maschinenschutzvorrichtungen Spielplätze
Kunststoff-Kappe für Vierkantrohr | Plastik-Stopfen für Quadratrohr | schwarz - Typ 74S Schwarze Kunststoff-Endkappe Typ 74S zum Verschließen von Rohren oder Rohrenden an einem Geländer, Gerüst oder ähnlichen Konstruktionen. Dieser Stopfen aus Kunststoff (PA) ist erhältlich für die Durchmesser 25x25 mm und 40x40 mm. Anwendungen: Handläufe Sicherheitsgeländer/Schutzbarrieren Fallschutz Sonstige Anwendungen für sicheres Arbeiten Feste Geländer Maschinenschutzvorrichtungen Spielplätze
Rohrverbinder T-Stück kurz | T-Verbinder für Vierkantrohr - Typ 2S Der T-Stück-Rohrverbinder Typ 2S dient als 2-Wege-Rohrverbinder für ein horizontales und ein vertikales Vierkantrohr. Die waagerechte Rohrverbindung ist nur eine Rohr-Durchführung und kann NICHT als Verbindung für 2 Rohre verwendet werden. Der Rohrverbinder wird außen über die Rohre geschoben und sorgt somit für eine äußere Rohrverbindung. Zur Auswahl stehen Ihnen der T-Stück-Rohrverbinder für die Durchmesser 25x25 mm und 40x40 mm. Das Material des Rohrverbinders Typ 2S ist verzinktes Gusseisen. Vorteile auf einen Blick: Edelstahlschraube Garantie bis 1500 N/m Belastung kein Schweißen, somit keine Feuererlaubnis erforderlich Keine Gewinde, keine Verschraubung Mit einfachem Sechskantschlüssel montierbar Vielseitiges System, vor Ort veränderbar Lackierbar Anwendungen: Handläufe Sicherheitsgeländer/Schutzbarrieren Fallschutz Sonstige Anwendungen für sicheres Arbeiten Feste Geländer Maschinenschutzvorrichtungen Spielplätze
Rohrverbinder T-Stück lang für Quadratrohr - Typ 4S Dieser Rohrverbinder wird verwendet um zwei horizontale Rohre mit einem Vertikalen zu verbinden. Im Verbinder selbst gibt es keine Begrenzungen. In der Verbindungsstelle kann demnach auch ein Rohr komplett durchlaufen. Der Rohrverbinder wird außen über die Rohre geschoben und sorgt somit für eine äußere Rohrverbindung. Zur Auswahl stehen Ihnen der T-Stück-Rohrverbinder für die Durchmesser 25x25 mm und 40x40 mm. Das Material des Rohrverbinders Typ 4S ist verzinktes Gusseisen. Vorteile auf einen Blick: Edelstahlschraube Garantie bis 1500 N/m Belastung kein Schweißen, somit keine Feuererlaubnis erforderlich Keine Gewinde, keine Verschraubung Mit einfachem Sechskantschlüssel montierbar Vielseitiges System, vor Ort veränderbar Lackierbar Anwendungen: Handläufe Sicherheitsgeländer/Schutzbarrieren Fallschutz Sonstige Anwendungen für sicheres Arbeiten Feste Geländer Maschinenschutzvorrichtungen Spielplätze
Winkel-Rohrverbinder / Eckstück 90° / durchlaufend Ständer für Quadratrohr - Typ 20S Der Winkel-Rohrverbinder Typ 20S wird verwendet, um drei gleich großen Quadratrohre im rechten Winkel (90°) miteinander zu verbinden. Der Rohrverbinder wird auf die Rohre geschoben und sorgt somit für eine äußere Rohrverbindung. Zur Auswahl stehen Ihnen der 90°-Bogen für die Durchmesser 25x25 mm und 40x40 mm. Das Material des durchlaufenden Quadratrohr-Ständers Typ 20S ist verzinktes Gusseisen. Dieser Rohrverbinder Bogen 90° wird auch sehr oft als Endrohrverbinder von Geländeelemente verwendet oder, um Rahmen für Werbebanner zu erstellen. Vorteile auf einen Blick: Edelstahlschraube Garantie bis 1500 N/m Belastung kein Schweißen, somit keine Feuererlaubnis erforderlich Keine Gewinde, keine Verschraubung Mit einfachem Sechskantschlüssel montierbar Vielseitiges System, vor Ort veränderbar Lackierbar Anwendungen: Handläufe Sicherheitsgeländer/Schutzbarrieren Fallschutz Sonstige Anwendungen für sicheres Arbeiten Feste Geländer Maschinenschutzvorrichtungen Spielplätze
Durchschnittliche Bewertung von 5 von 5 Sternen
Rohrverbinder quadratische Fußplatte / Grundplatte für Quadratrohr - Typ 11S (131F) Die quadratische Rohrverbinder-Fußplatte Typ 11S dient als Positionsfixierung, sowie zur Befestigung von einem Quadratrohr an Wand, Decke und Boden. Der Rohrverbinder wird außen über die Rohre geschoben. Zur Auswahl steht Ihnen die Fußplatte für die Durchmesser 25x25 mm und 40x40 mm. Das Material des Rohrverbinders Typ 11S ist verzinktes Gusseisen. Die quadratische Fußplatte Typ 11S ist an der Unterseite teilweise offen, um einen Wasserablauf zu ermöglichen. Allerdings ist der Fuß so weit geschlossen, dass das Rohr nicht durchgeschoben werden kann. 4 Bohrlöcher sorgen für eine mögliche Befestigung an Wand, Decke oder Boden. Vorteile auf einen Blick: Edelstahlschraube Garantie bis 1500 N/m Belastung kein Schweißen, somit keine Feuererlaubnis erforderlich Keine Gewinde, keine Verschraubung Mit einfachem Sechskantschlüssel montierbar Vielseitiges System, vor Ort veränderbar Lackierbar Anwendungen: Handläufe Sicherheitsgeländer/Schutzbarrieren Fallschutz Sonstige Anwendungen für sicheres Arbeiten Feste Geländer Maschinenschutzvorrichtungen Spielplätze
Rohrverbinder Ösenteil 90° mit Doppellasche für Quadratrohr - Typ 57S Dieser Rohrverbinder ist ähnlich dem Typ 56. Plattenbefestigungs-Rohrverbinder mit zwei Ösen; wird auch für die Arretierung von Gattern verwendet. Der Rohrverbinder wird außen über die Rohre geschoben und sorgt somit für eine äußere Rohrverbindung. Zur Auswahl stehen Ihnen der T-Stück-Rohrverbinder für die Durchmesser 25x25 mm und 40x40 mm. Das Material des Rohrverbinders Typ 57S ist verzinktes Gusseisen. Vorteile auf einen Blick: Edelstahlschraube Garantie bis 1500 N/m Belastung kein Schweißen, somit keine Feuererlaubnis erforderlich Keine Gewinde, keine Verschraubung Mit einfachem Sechskantschlüssel montierbar Vielseitiges System, vor Ort veränderbar Lackierbar Anwendungen: Handläufe Sicherheitsgeländer/Schutzbarrieren Fallschutz Sonstige Anwendungen für sicheres Arbeiten Feste Geländer Maschinenschutzvorrichtungen Spielplätze
Rohrverbinder Garderobenhaken für Quadratrohr - Typ 64S Dieser Verbinder ähnelt dem Rohrverbinder "Stellring mit Haken". Der Haken ist bei diesem Rohrverbinder lediglich um 90 Grad gedreht und verläuft somit senkrecht zur Richtung des angeschlossenen Rohres. Das Material des Rohrverbinders Typ 64S ist verzinktes Gusseisen. Vorteile auf einen Blick: Edelstahlschraube Garantie bis 1500 N/m Belastung kein Schweißen, somit keine Feuererlaubnis erforderlich Keine Gewinde, keine Verschraubung Mit einfachem Sechskantschlüssel montierbar Vielseitiges System, vor Ort veränderbar Lackierbar Anwendungen: Handläufe Sicherheitsgeländer/Schutzbarrieren Fallschutz Sonstige Anwendungen für sicheres Arbeiten Feste Geländer Maschinenschutzvorrichtungen Spielplätze